안녕하세요. 검토지기입니다.
오늘은 계단에 대해서 말씀드리려고 합니다.
건물에서 중요한 부분 중 하나가 코어인데요. 코어에서 핵심인 계단에 대해 설명드리겠습니다.
계단은 명확한 치수로 BF기준이 정해져있습니다.
보통 유효폭이나, 손잡이, 점형블럭 등 공통기준 외에 계단에 형태에 따라 확보해야할 별도 부분들
오늘 그걸 포스팅 하려고 합니다.
일단 그럼 기준부터 설명드리자면
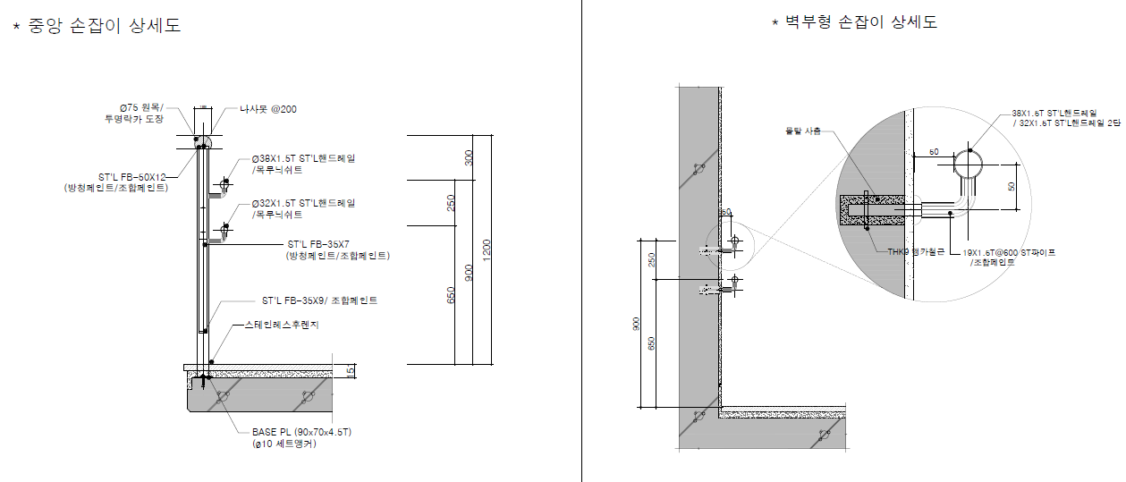
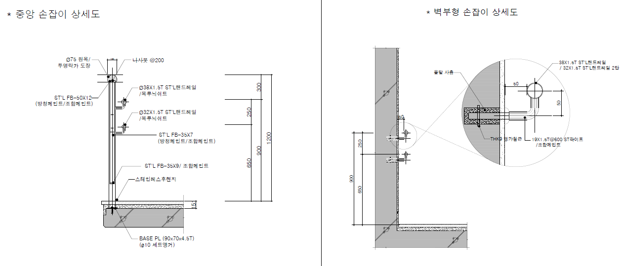
1. 손잡이 내측 기준 1.2m 유효폭 (참 포함)
2. 양측 손잡이 설치 (두께38, 벽에서 이격 50, 시종점 수평구간 300, 참 수평구간 150~300, 높이 800~900)
3. 챌면 180이하, 디딤판 280이상
4. 시종점 및 참에 점형블럭 설치 (이격 300)
이 네가지가 계단의 BF 기준입니다.
자세한 내용은 아래 그림으로 보시죠

치수로 표기되어 있는 부분들은 보시면 챌면 및 디딤판 사이즈를 제외하고
1,2,4번의 내용이 다 표기되어 있습니다.
(*그림의 159치수가 참의 손잡이 수평구간 150~300 구간 입니다.)
위 그림으로 BF 기준은 이해가 되신걸로 하고 계단의 형태의 따라 하나씩 다시 설명드리겠습니다.
첫번째 직선계단.



직선계단은 신경쓸 부분이 많이 없는 계단입니다.
1번계단과 같이 주변이 막혀있거나 같은 레벨로 조경이 올라가는 형식이라면 손잡이만 설치하여 진행하면 됩니다.
그러나 2번 계단과 같이 양측면 또는 한쪽 측면이 오픈된 공간이라면 난간(H:1200mm)을 별도로 설치해주어야 합니다.
난간 설치 후 50 이격하고 손잡이를 설치해야 합니다.
(계단의 폭을 여유롭게 주셔야 합니다.)
또한, 직선계단에 참이 들어갈 경우 2번의 계단 참은 1800mm 폭이라서 점형블럭이 설치되었지만
1200mm 폭으로 참이 설치된다면 점형블럭은 생략이 가능합니다.
2번계단과 같이 하부가 벽으로 막히지 않고 뚫려 있을 경우 2.1m이하 충돌방지 난간을 설치해야 합니다.
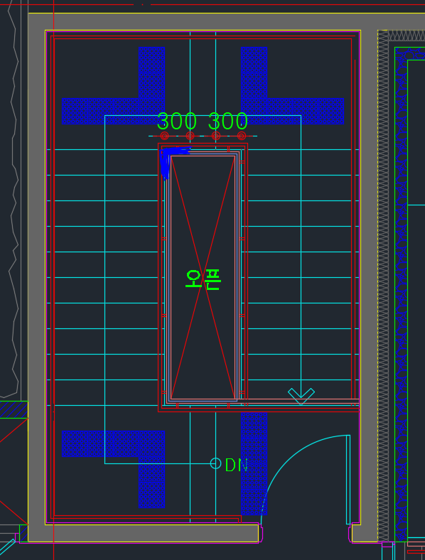
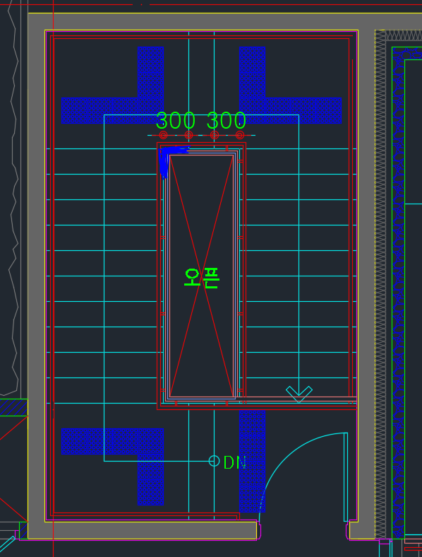
두번째 ㄷ계단.
건물 코어에 사용되는 가장 보편적인 계단입니다.

위에 첨부한 그림이죠
ㄷ계단은 참부분의 손잡이 수평구간 150~300 부분만 신경쓰신다면 별도로 문제될 부분은 없습니다.
아, 참고로 계단실에 방화 셔터나 방화도어 설치 시,
손잡이 끝에서 셔터 또는 도어 끝까지 유효폭 1200mm은 확보되어야 합니다.
세번째 ㄱ계단 및 ㅁ계단.

이런 형태의 계단은 앞서 직선계단과 ㄷ계단의 유의점도 살펴봐야 하지만
꺽이는 부분과 설치되는 계단의 단수를 유의해주셔야 합니다.
꺽이는 부분, 제가 그림에 파란색으로 표기한 부분 중 세로나 가로부분에 300의 여유공간을 확보해주셔야 합니다.
확보가 안되고 바로 꺽일 경우 손잡이가 대각선으로 올라가면서 수평구간이 미확보 되기 때문입니다.
또한 작게 설치되는 가로측 계단 단수는 2개 이상으로 설치해주셔야 합니다.
1개만 설치될 경우 단차로 인식되어 시각장애인들이 넘어질 가능성이 농후해 2단 이상 설치를 권장드립니다.
위 사진은 ㅁ계단이지만 ㄱ계단도 똑같이 적용하여 설치해주시면 됩니다.
이 외로 어린이집이나 유치원, 어린이 도서관 등 아이들이 사용하는 건물은
650mm 높이의 어린이 손잡이를 설치해야 합니다.
벽부형 손잡이는 상관이 없지만 중앙 손잡이로 설치 시 난간살에 겹쳐서 설치가 불가해 50을 이격 후 설치되야 합니다.

여기 올라온 상세도 및 BF 인증기준에 대한 자료가 필요하시다면 오픈 채팅방을 이용해 주세요.
https://open.kakao.com/o/ge1ioBhd
감사합니다ㅎ
'BF인증_검토서' 카테고리의 다른 글
| 계단 손잡이 수평거리 (0) | 2023.02.08 |
|---|---|
| 횡단보도 설치 방법 _ 턱낮춤 횡단보도 ver. (0) | 2022.02.25 |
| 제 1,2종 근생 BF 검토 (욕실_목욕탕) (0) | 2022.01.14 |
| 횡단보도 설치 방법 _ 고원식 횡단보도 ver. (0) | 2021.11.23 |
| 체육시설 BF 검토 (샤워실) (8) | 2021.11.19 |
댓글